Перейти до вмісту
brokers2003.combrokers2003.com
  • Домашній
  • Дерев'яні подони
  • Меблі
  • Митне оформлення
  • Корисна інформація
  • Контакти
  • +38 (066) 579-80-68
    brokwoodzp@gmail.com
  • УкраїнськаРусский
    від Transposh - translation plugin for wordpress

Документи, пов'язані з дерев'яними піддонами:

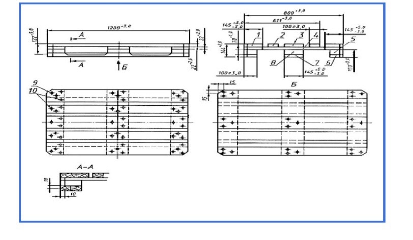
Чертеж Короткий європіддон

Креслення Короткий європіддон посиленого

ГІСТЬ 9557-87 Піддон плоский дерев'яний розміром 800 × 1200 мм. Технічні умови

ГІСТЬ 9078-84 Піддони плоскі загальні технічні умови

Документи, пов'язані з митницею:

Митний кодекс України з останніми змінами

Інструкція для самостійної акредитації

Інструкція для повернення коштів або для перевірки балансу на рахунку митних органів

Реквізити рахунку Державної митної служби України для юридичних осіб

ІНКОТЕРМС 2010

Авторське право 2025 © брокери2003
  • Домашній
  • Дерев'яні подони
  • Меблі
  • Митне оформлення
  • Корисна інформація
  • Контакти
  • +38 (066) 579-80-68
    brokwoodzp@gmail.com